CHAMPION, 70005, IPL.22
CHAMPION, 70005, IPL.25
TECHNICAL SPECIFICATIONS
DOCUMENTS
Product Specifications and Attributes
Color Color Black Max GPM Max GPM 3 GPM
Direction Direction Reverse Facing Max PSI Max PSI 3200 PSI
Drive Type Drive Type Direct Nozzle Orifice Size Nozzle Orifice Size 3
Frame Orientation Frame Orientation Horizontal Nozzle Type Nozzle Type Variable
Frame Type Frame Type Cart Power Source Power Source Gasoline
Gun Inlet Gun Inlet 22 mm 14 M Pressure Washer Type Pressure Washer Type Cold Water
Gun Outlet Gun Outlet 22 mm 14 F Pump Orientation Pump Orientation Horizontal
Hose Inlet Hose Inlet 22 mm 14 F Pump Shaft Diameter Pump Shaft Diameter 1"
Hose Length Hose Length 25' Shaft Type Shaft Type Hollow Shaft
Hose Material Hose Material Thermoplastic Wand Inlet Wand Inlet 22 mm 14 M
Hose Outlet Hose Outlet 22 mm 14 F Wand Length Wand Length 20"

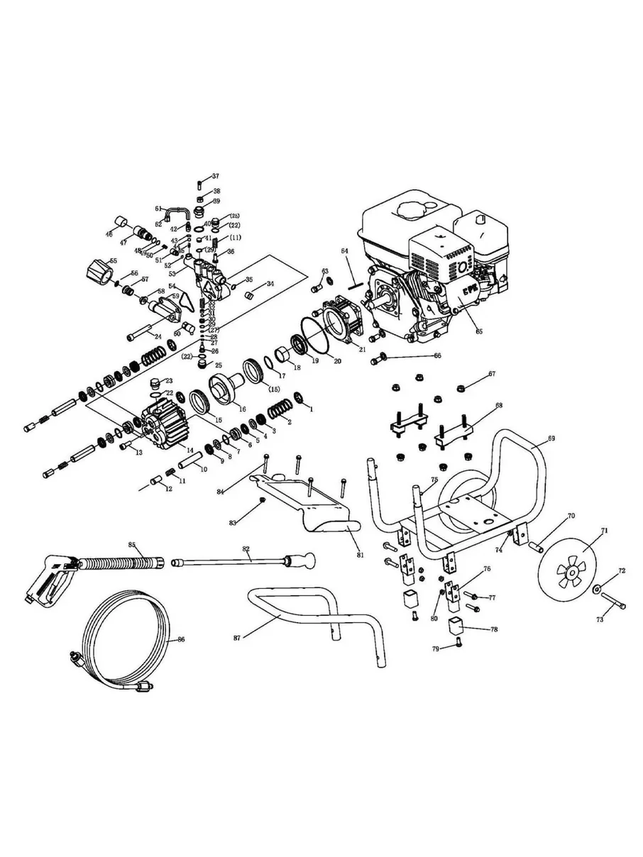
Illustrated Parts List