CRAFTSMAN, 580.752610, IPL.25
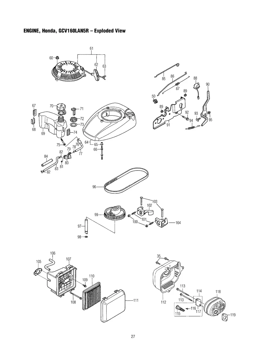
CRAFTSMAN, 580.752610, IPL.27
DOCUMENTS

Illustrated Parts List