CRAFTSMAN, 580.762010, IPL.18
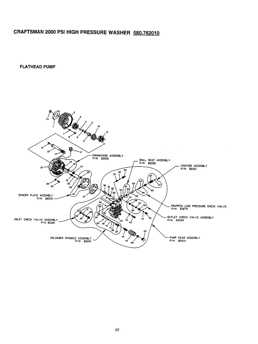
CRAFTSMAN, 580.762010, IPL.30
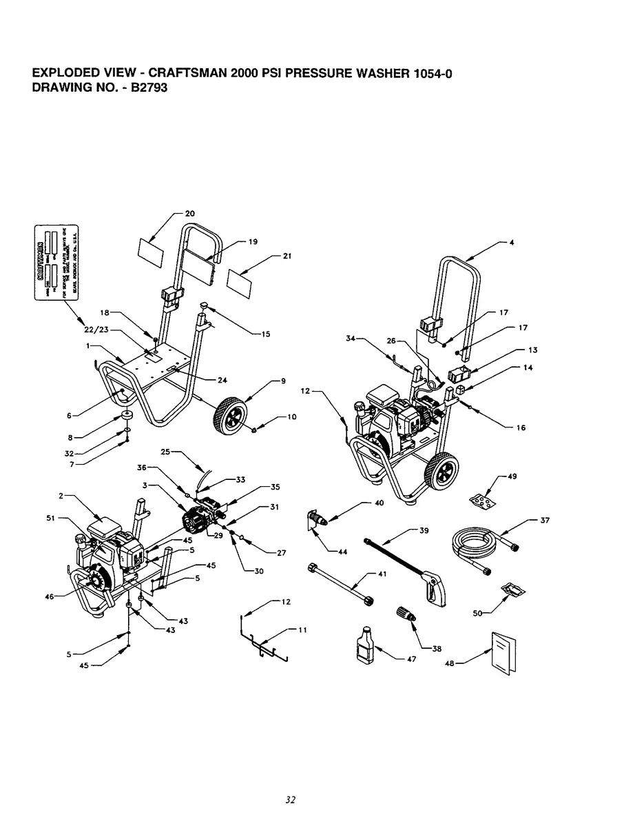
CRAFTSMAN, 580.762010, IPL.32
CRAFTSMAN, 580.762010, IPL.19
CRAFTSMAN, 580.762010, IPL.20
CRAFTSMAN, 580.762010, IPL.21
CRAFTSMAN, 580.762010, IPL.22
CRAFTSMAN, 580.762010, IPL.23
CRAFTSMAN, 580.762010, IPL.24
CRAFTSMAN, 580.762010, IPL.25
CRAFTSMAN, 580.762010, IPL.26
CRAFTSMAN, 580.762010, IPL.27
CRAFTSMAN, 580.762010, IPL.28
DOCUMENTS

Illustrated Parts List