CRAFTSMAN, 580.762201, IPL.18
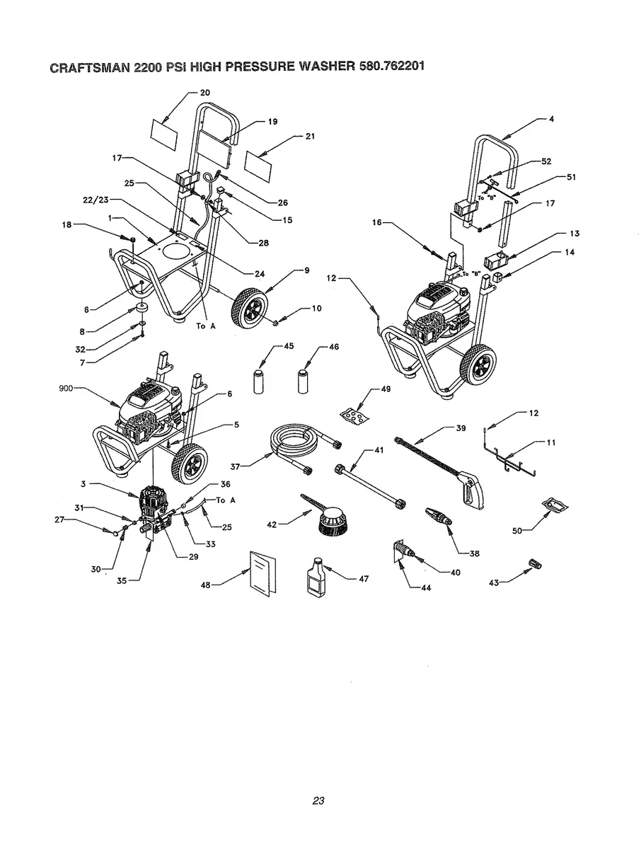
CRAFTSMAN, 580.762201, IPL.23
CRAFTSMAN, 580.762201, IPL.25
CRAFTSMAN, 580.762201, IPL.21
CRAFTSMAN, 580.762201, IPL.22
DOCUMENTS

Illustrated Parts List