CRAFTSMAN, 580.768323, IPL.18
CRAFTSMAN, 580.768323, IPL.20
CRAFTSMAN, 580.768323, IPL.22
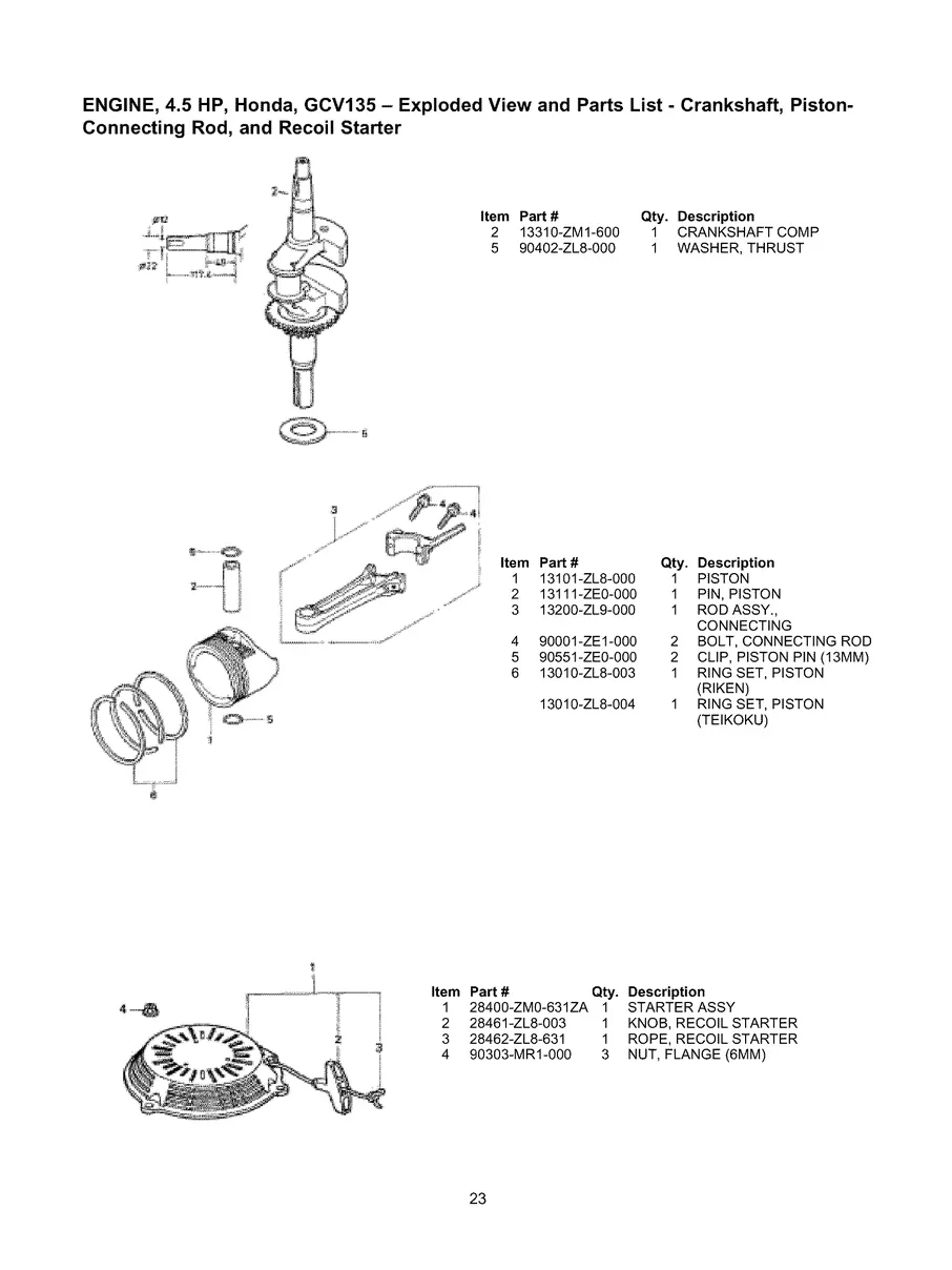
CRAFTSMAN, 580.768323, IPL.23
CRAFTSMAN, 580.768323, IPL.24
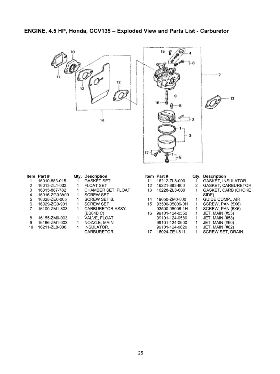
CRAFTSMAN, 580.768323, IPL.25
CRAFTSMAN, 580.768323, IPL.26
CRAFTSMAN, 580.768323, IPL.27
DOCUMENTS

Illustrated Parts List