DOCUMENTS

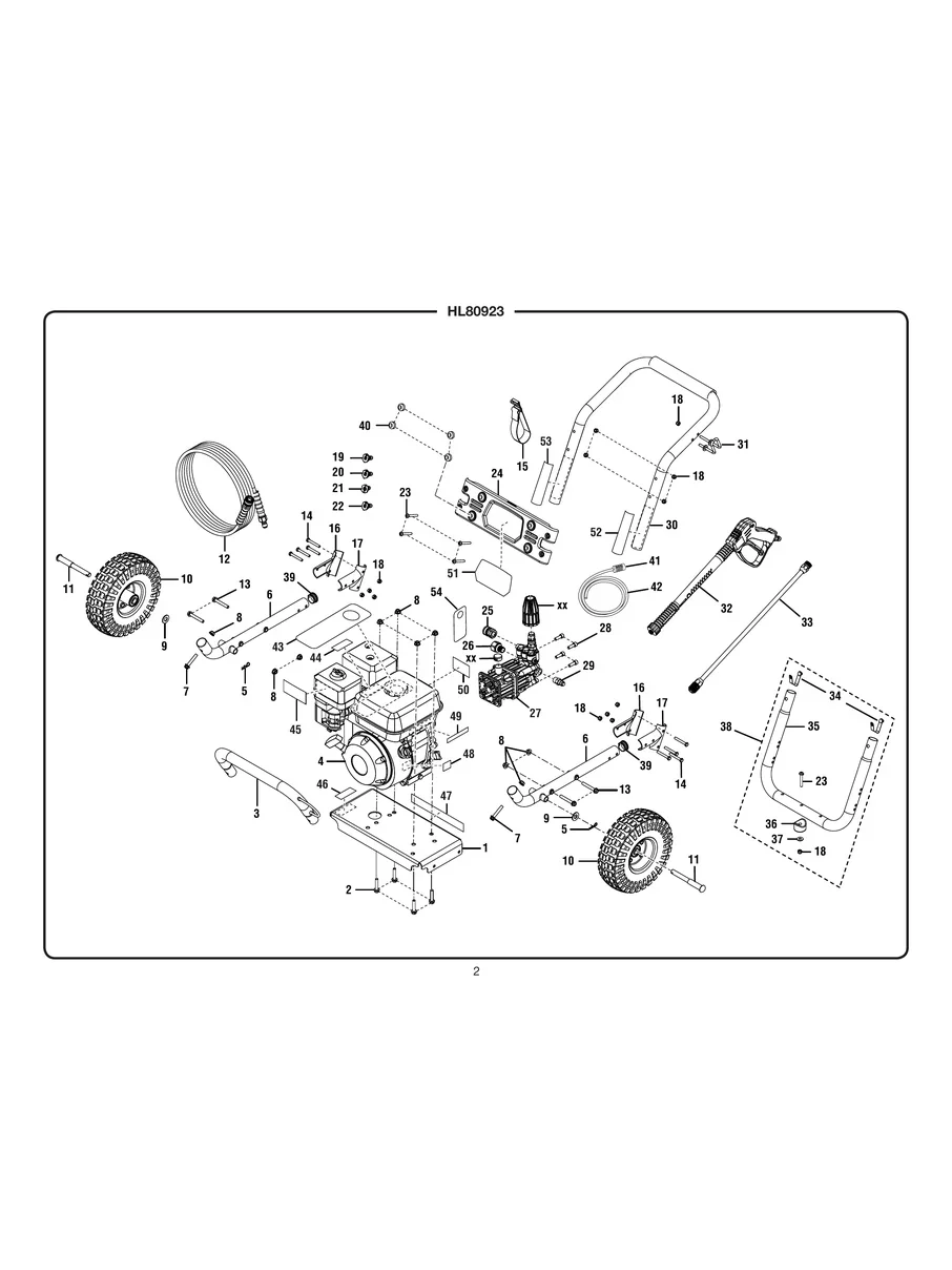
Illustrated Parts List

Owners Manual