HOMELITE, UT80522A, IPL.2
HOMELITE, UT80522A, IPL.6
TECHNICAL SPECIFICATIONS
DOCUMENTS
Product Specifications and Attributes
Color Color Red Max GPM Max GPM 2 GPM
Direction Direction Forward Facing Max PSI Max PSI 2700 PSI
Drive Type Drive Type Direct Nozzle Count Nozzle Count 5
Frame Orientation Frame Orientation Vertical Nozzle Orifice Size Nozzle Orifice Size 3
Frame Type Frame Type Cart Nozzle Type Nozzle Type Quick Connect
Gun Inlet Gun Inlet 22 mm 14 M Power Source Power Source Gasoline
Gun Outlet Gun Outlet 22 mm 14 F Pressure Washer Type Pressure Washer Type Cold Water
Hose Diameter Hose Diameter 0 in Pump Orientation Pump Orientation Horizontal
Hose Inlet Hose Inlet 22 mm 14 F Pump Shaft Diameter Pump Shaft Diameter 1 in
Hose Length Hose Length 25 ft Shaft Type Shaft Type Hollow Shaft
Hose Material Hose Material Thermoplastic Wand Inlet Wand Inlet 22 mm 14 M
Hose Outlet Hose Outlet 22 mm 14 F Wand Length Wand Length 20 in

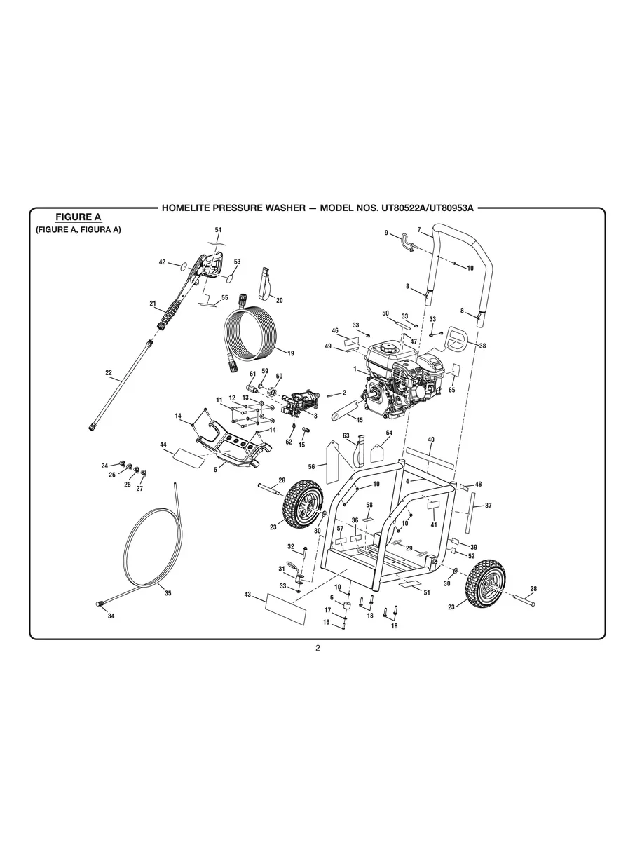
Illustrated Parts List

Owners Manual