WELCOME TO THE NEW APW-INC.COM NEW PARTS ADDED DAILY FREE SHIPPING ON ORDERS OVER $119
0

No products in the cart.

APW-Inc
  • SHOP BY CATEGORY
  • PARTS BY MODEL
  • RESOURCES
  • CONTACT US
  • Pressure Washer Parts and Accessories
    Pressure Washer
    Parts & Accessories
  • Pump
    Pressure Washer
    Pumps
  • Pump Parts and Accessories
    Pump
    Parts & Accessories
  • Engine Parts and Accessories
    Engine
    Parts & Accessories
  • A-iPOWER
  • ALL POWER
  • AMPLIFI
  • AR BLUE CLEAN
  • BAUER
  • BE
  • BLACK AND DECKER
  • BLACK MAX
  • BRIGGS AND STRATTON
  • BRUTE
  • CAMPBELL HAUSFELD
  • CAT
  • CHAMPION
  • CLEANFORCE
  • CLEANSHOT
  • COLEMAN POWERMATE
  • COMPANION
  • CRAFTSMAN
  • DELCO
  • DELTA
  • DEVILBISS
  • DEWALT
  • DIAMOND
  • DR POWER WASHER
  • DUROMAX
  • EARTHWISE
  • ECHO
  • EXCELL
  • FAIP
  • FORD
  • G-CLEAN
  • GENERAC
  • GRACO
  • GRAVELY
  • GREENPOWER
  • GREENWORKS
  • HARBOR FREIGHT
  • HERO
  • HOMELITE
  • HUSKY
  • HUSQVARNA
  • HYDROWORKS
  • HYUNDAI
  • JOHN DEERE
  • KARCHER
  • KODIAK
  • LIFAN
  • MAC ALLISTER
  • MAKINEX
  • MCCULLOCH
SEE ALL BRANDS
  • HOW-TO LIBRARY
  • SERVICE
  • FAQS
  • ABOUT US
  • NOZZLE CALCULATOR
Phone
PHONE
Customer Service:
888-279-9274
Repair Service:
877-218-0923
Clock
HOURS
(M-F PST)
Phone:
7:00 a.m. - 4:30 p.m.
Store:
7:00 a.m. - 5:00 p.m.
Location Pin
ADDRESS
2310 E 2nd St, Suite A
Vancouver, WA 98661
SHOP BY CATEGORY PARTS BY MODEL HOW-TO LIBRARY SERVICE FAQS ABOUT US NOZZLE CALCULATOR CONTACT US
HUSKY HU80432A Pressure Washer - Equipment Model Image

HUSKY, HU80432A
Pressure Washer Parts

Parts by Model » HUSKY » HU80432A
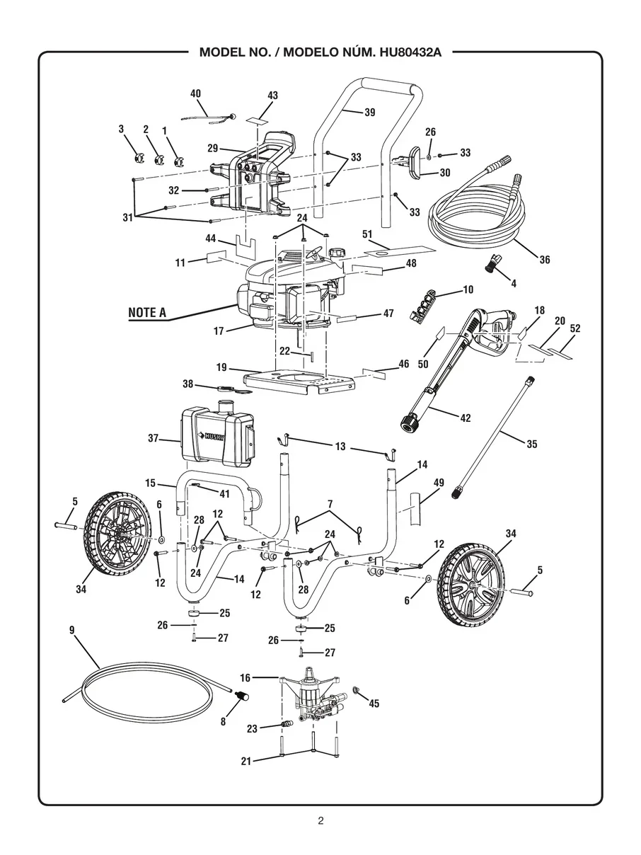
HUSKY, HU80432A, IPL.2

REPAIR PARTS

  • Injector

    Homelite 308452002 Pressure Washer Detergent Injector Kit

    308452002
    $15.00
  • Filter

    Homelite Pressure Washer Filter Screen 308662001

    308662001
    $2.95
  • Tank Cap

    SOAP TANK CAP WITH HOLE

    310650002
    $10.45
  • Hose

    Replacement For Powerflex 308835004 Hose

    308835004
    $25.15
  • Wand

    RYOBI 308494004 Pressure Spray Wand

    308494003
    $24.15
  • Nut

    Homelite/Ryobi 678016006 | Nylon Locking Nut 1/4 - 20

    678016006
    $1.56
  • Screw

    Homelite 661501001 | Torx Head Screw 1/4-20 x 1.85"

    661501001
    $1.56
  • Washer

    638128004 Washer for Homelite/Ridgid RD80746

    638128004
    $1.56
  • Foot

    Ryobi/Homelite 570554001 | Wear Pad Non-Marring Rubber

    570554001
    $6.25
  • LOCK NUT - M8 X 1.25MM

    LOCK NUT - M8 X 1.25MM

    678774002
    $3.13
  • Thermal Valve

    THERMAL VALVE 1/4 - ALUMINUM

    678169004
    $16.75
  • Pump

    Husky Pump Replacement 308653008

    308653008
    $219.00
  • LOCK BUTTON W/SPRING

    LOCK BUTTON W/SPRING

    308421004
    $8.35
  • Bolt

    BOLT WASHER HEX M8X50

    660962001
    $3.13
  • Frame Parts

    Homelite Pressure Washer Nozzle Holder 570727006

    570727006
    $8.35
  • Hose

    Homelite Chemical Siphon Tube 561399003

    561399003
    $15.00
  • 25 Degree, Nozzle, Quick Connect

    Homelite 308699016 Quick-Connect Nozzle 25030

    308699016
    $8.35
DOCUMENTS

Illustrated Parts List

  • HUSKY, HU80432A, IPL

Owners Manual

  • HUSKY, HU80432A, MNL
HAVE A QUESTION?
(888) 279-9274
APW Logo
Since 1986, APW has specialized in all aspects of pressure washers. With over 80 years of combined industry knowledge and a fierce dedication to our customers, APW is ready to be your guide.
MORE INFORMATION
  • About
  • Service
  • Contact
  • Shipping
  • Returns
  • FAQ
STAY CONNECTED
Sign up for our newsletter to hear about our newest products, exclusive discounts, and maintenance tips!
Facebook Logo YouTube Logo Instagram Logo
Sitemap
© 2025 APW Inc.
Privacy Policy
APW Distributing, Inc BBB Business Review
APW-Inc
Manage Consent
To provide the best experiences, we use technologies like cookies to store and/or access device information. Consenting to these technologies will allow us to process data such as browsing behavior or unique IDs on this site. Not consenting or withdrawing consent, may adversely affect certain features and functions.
Functional Always active
The technical storage or access is strictly necessary for the legitimate purpose of enabling the use of a specific service explicitly requested by the subscriber or user, or for the sole purpose of carrying out the transmission of a communication over an electronic communications network.
Preferences
The technical storage or access is necessary for the legitimate purpose of storing preferences that are not requested by the subscriber or user.
Statistics
The technical storage or access that is used exclusively for statistical purposes. The technical storage or access that is used exclusively for anonymous statistical purposes. Without a subpoena, voluntary compliance on the part of your Internet Service Provider, or additional records from a third party, information stored or retrieved for this purpose alone cannot usually be used to identify you.
Marketing
The technical storage or access is required to create user profiles to send advertising, or to track the user on a website or across several websites for similar marketing purposes.
  • Manage options
  • Manage services
  • Manage {vendor_count} vendors
  • Read more about these purposes
View preferences
  • {title}
  • {title}
  • {title}