KARCHER, G2600PH, IPL.5
KARCHER, G2600PH, IPL.8
KARCHER, G2600PH, IPL.10
KARCHER, G2600PH, IPL.12
KARCHER, G2600PH, IPL.14
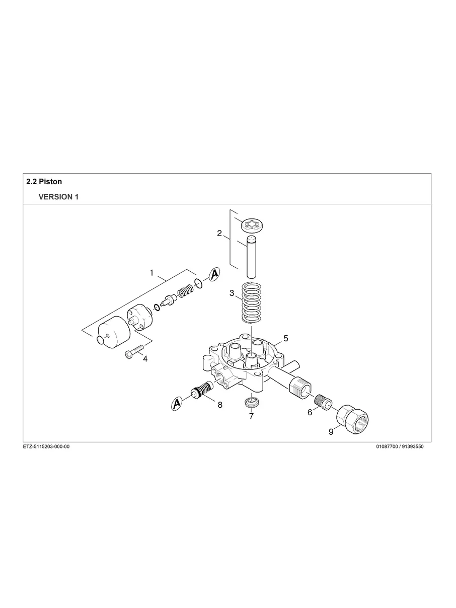
KARCHER, G2600PH, IPL.13
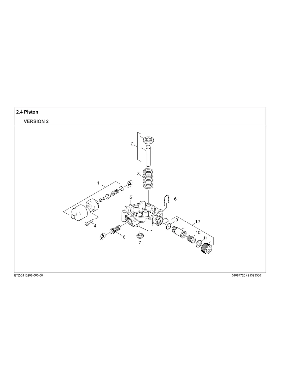
KARCHER, G2600PH, IPL.15
KARCHER, G2600PH, IPL.17
TECHNICAL SPECIFICATIONS
DOCUMENTS
Product Specifications and Attributes
Color Color Black Max PSI Max PSI 2600 PSI
Drive Type Drive Type Direct Nozzle Count Nozzle Count 5
Frame Orientation Frame Orientation Horizontal Nozzle Orifice Size Nozzle Orifice Size 4
Frame Type Frame Type Cart Nozzle Type Nozzle Type Quick Connect
Gun Inlet Gun Inlet 22 mm 14 M Power Source Power Source Gasoline
Gun Outlet Gun Outlet 22 mm 14 F Pressure Washer Type Pressure Washer Type Cold Water
Hose Diameter Hose Diameter 0" Pump Orientation Pump Orientation Vertical
Hose Inlet Hose Inlet 22 mm 14 F Pump Shaft Diameter Pump Shaft Diameter 1"
Hose Length Hose Length 25' Shaft Type Shaft Type Hollow Shaft
Hose Material Hose Material Thermoplastic Wand Inlet Wand Inlet 22 mm 14 M
Hose Outlet Hose Outlet 22 mm 14 F Wand Length Wand Length 20"
Max GPM Max GPM 2 GPM

Illustrated Parts List

Owners Manual