KARCHER, G2600VH, IPL.5
KARCHER, G2600VH, IPL.8
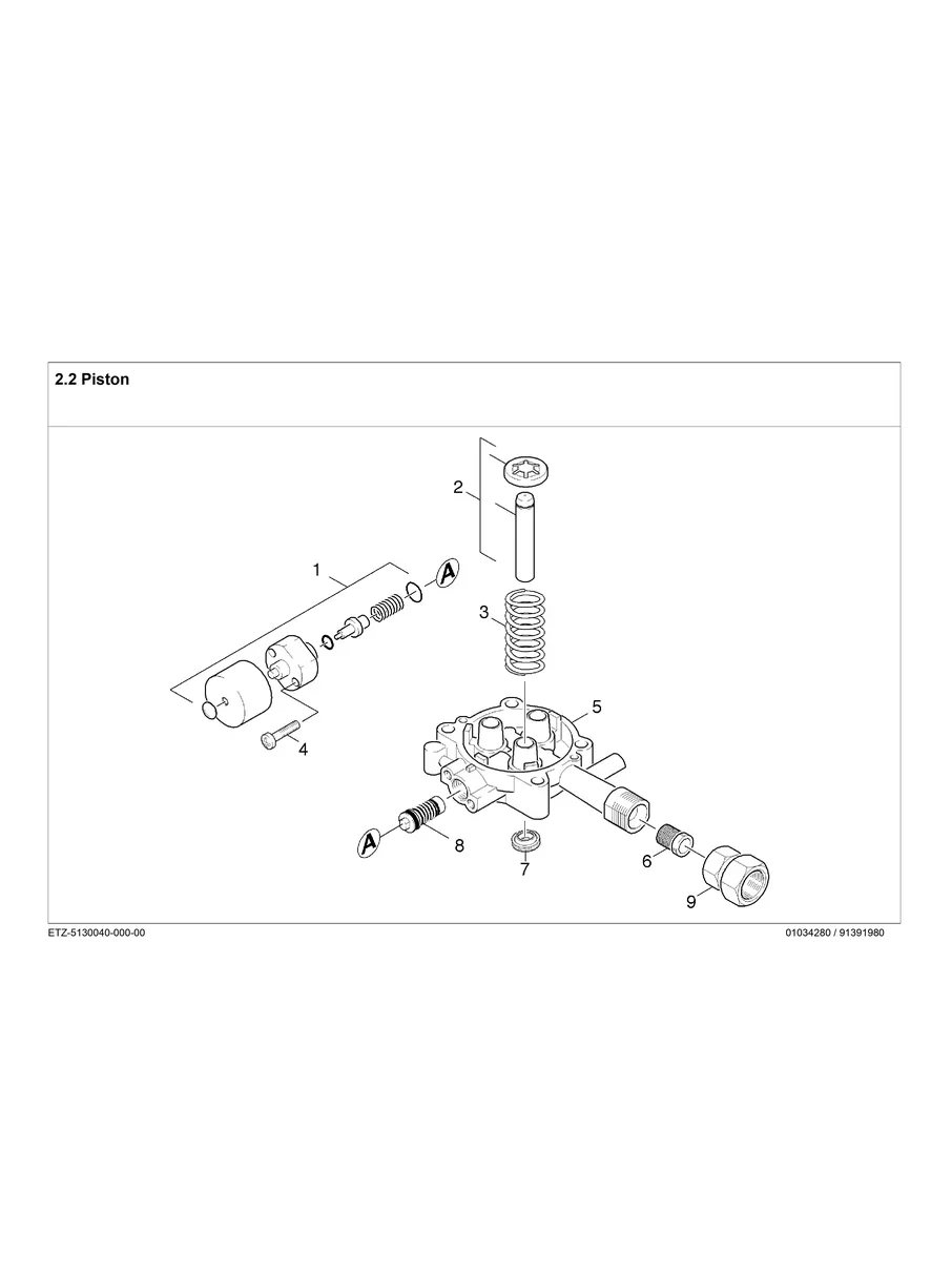
KARCHER, G2600VH, IPL.10
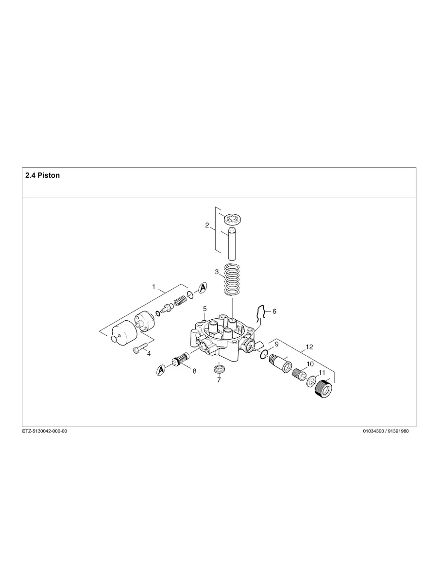
KARCHER, G2600VH, IPL.12
KARCHER, G2600VH, IPL.14
KARCHER, G2600VH, IPL.17
KARCHER, G2600VH, IPL.19
KARCHER, G2600VH, IPL.21
TECHNICAL SPECIFICATIONS
DOCUMENTS
Product Specifications and Attributes
Color Color Black Nozzle Orifice Size Nozzle Orifice Size 3
Drive Type Drive Type Direct Nozzle Type Nozzle Type Quick Connect
Frame Orientation Frame Orientation Vertical Power Source Power Source Gasoline
Frame Type Frame Type Cart Pressure Washer Type Pressure Washer Type Cold Water
Gun Outlet Gun Outlet 22 mm 14 F Pump Orientation Pump Orientation Vertical
Hose Length Hose Length 25' Pump Shaft Diameter Pump Shaft Diameter 1"
Hose Material Hose Material Thermoplastic Shaft Type Shaft Type Hollow Shaft
Max GPM Max GPM 2 GPM Wand Inlet Wand Inlet 22 mm 14 M
Max PSI Max PSI 2600 PSI Wand Length Wand Length 20"
Nozzle Count Nozzle Count 5

Illustrated Parts List

Owners Manual