KARCHER, G2600XC, IPL.4
KARCHER, G2600XC, IPL.8
KARCHER, G2600XC, IPL.15
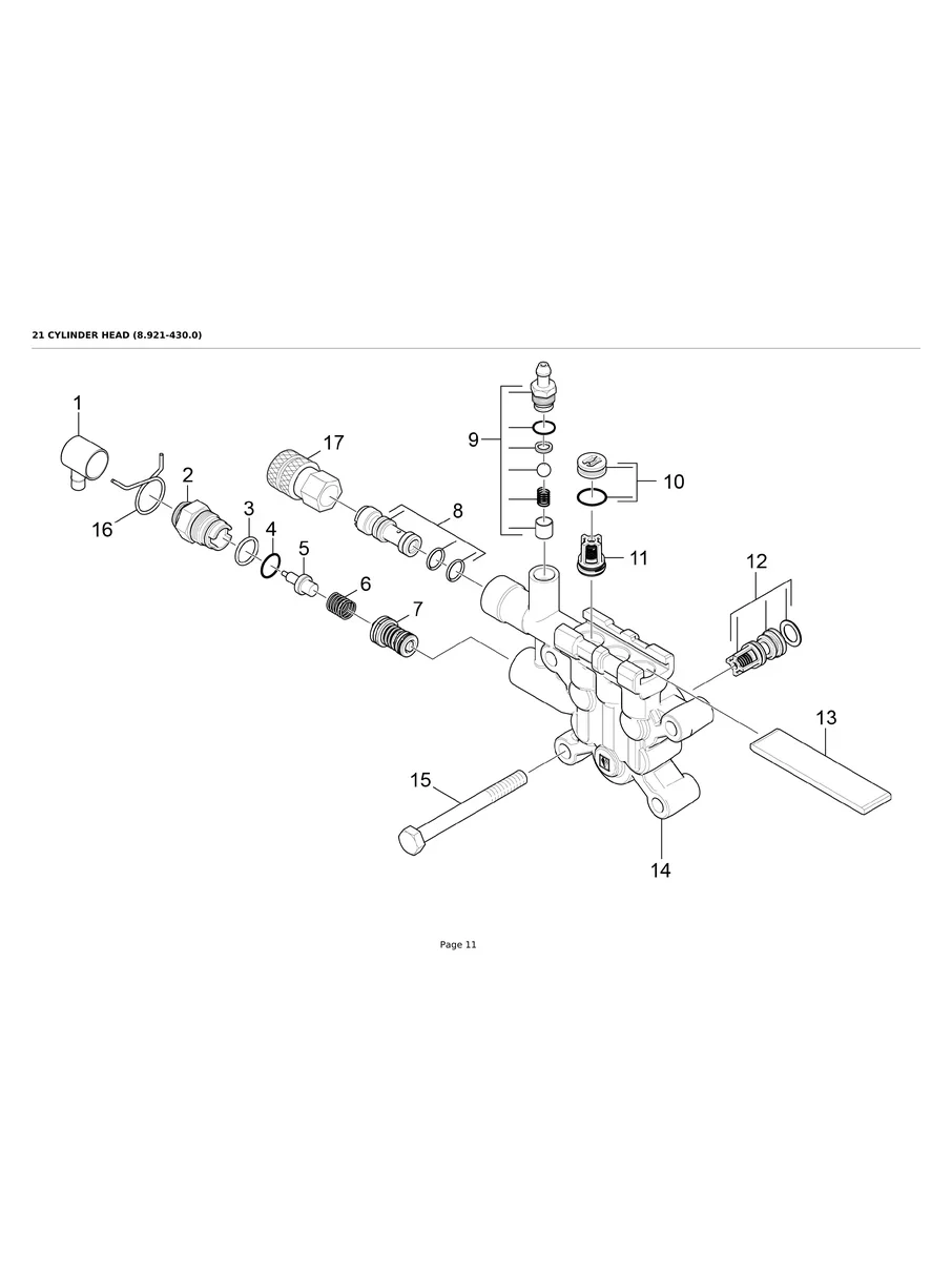
KARCHER, G2600XC, IPL.13
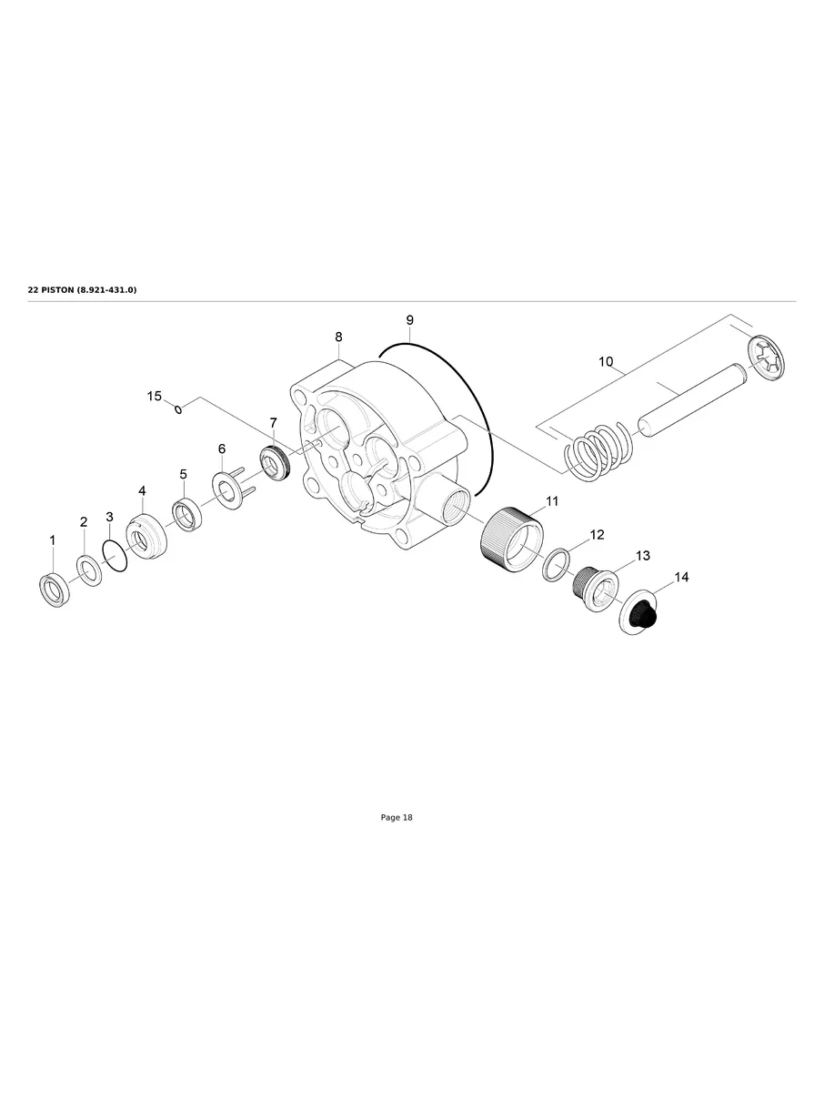
KARCHER, G2600XC, IPL.18
KARCHER, G2600XC, IPL.23
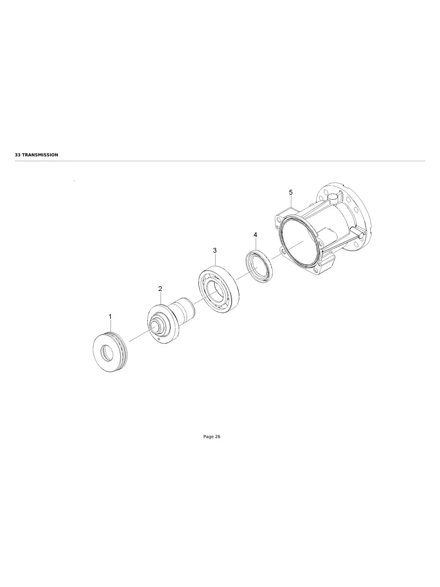
KARCHER, G2600XC, IPL.25
DOCUMENTS

Illustrated Parts List

Owners Manual