KARCHER, HD1090, IPL.6
KARCHER, HD1090, IPL.9
KARCHER, HD1090, IPL.17
KARCHER, HD1090, IPL.25
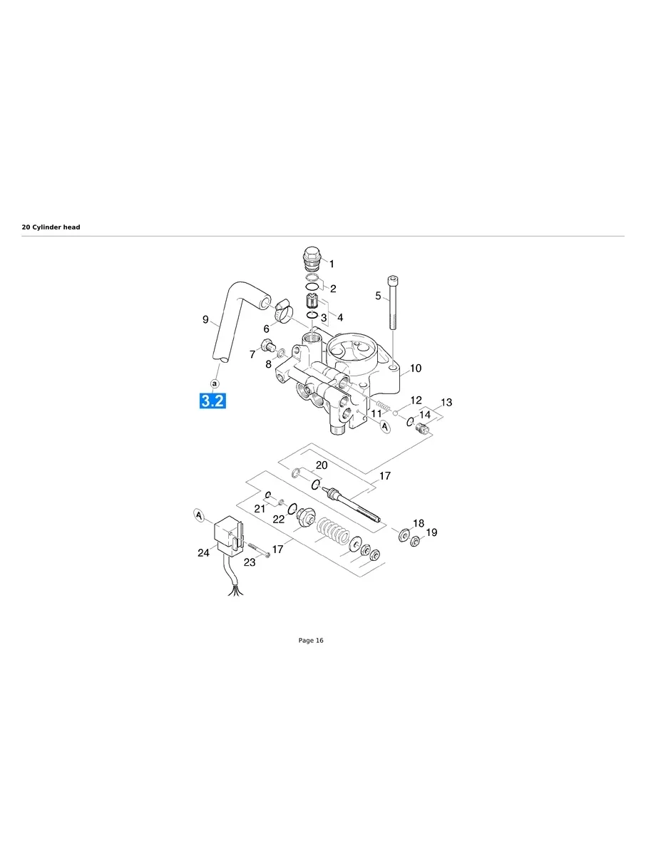
KARCHER, HD1090, IPL.13
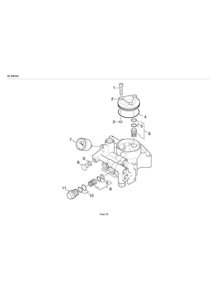
KARCHER, HD1090, IPL.21
KARCHER, HD1090, IPL.30
KARCHER, HD1090, IPL.32
KARCHER, HD1090, IPL.35
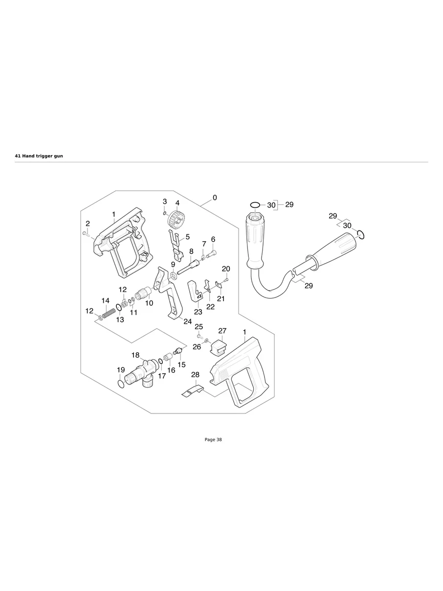
KARCHER, HD1090, IPL.38
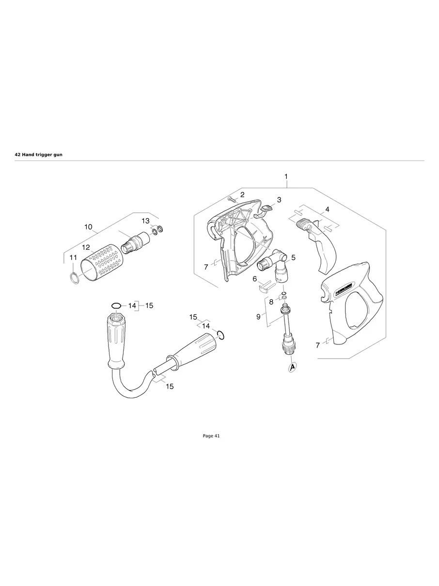
KARCHER, HD1090, IPL.41
KARCHER, HD1090, IPL.43
KARCHER, HD1090, IPL.45
KARCHER, HD1090, IPL.47
DOCUMENTS

Illustrated Parts List