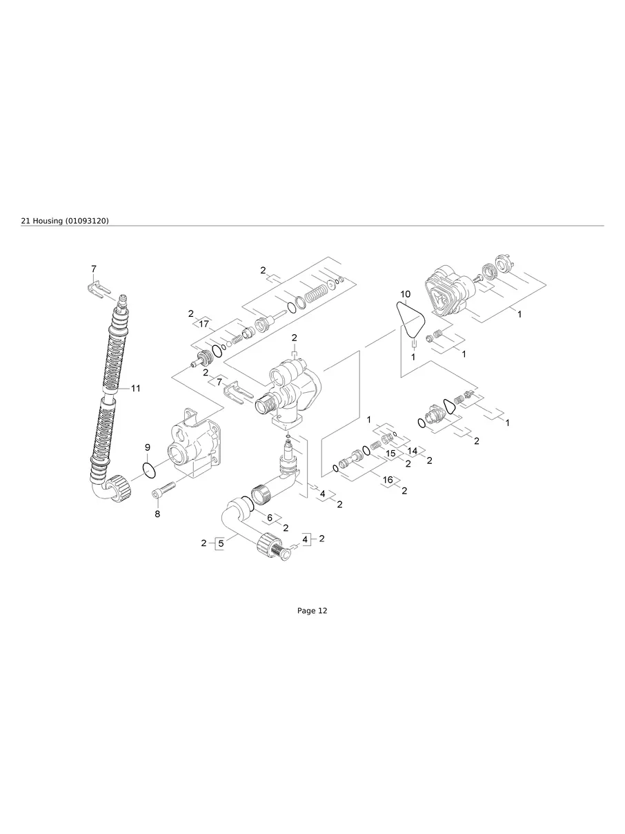
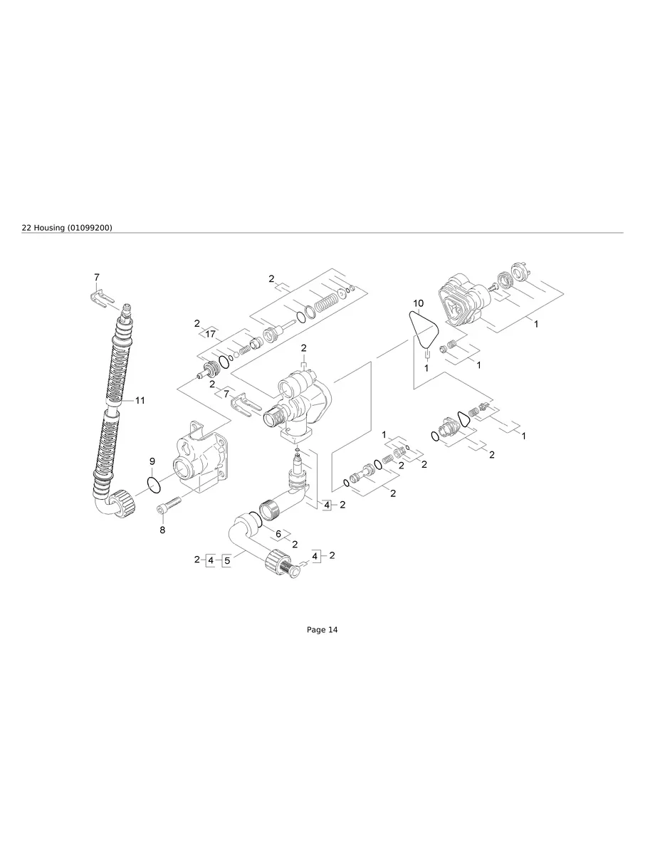
DOCUMENTS

Illustrated Parts List