WELCOME TO THE NEW APW-INC.COM NEW PARTS ADDED DAILY FREE SHIPPING ON ORDERS OVER $119
0

No products in the cart.

APW-Inc
  • SHOP BY CATEGORY
  • PARTS BY MODEL
  • RESOURCES
  • CONTACT US
  • Pressure Washer Parts and Accessories
    Pressure Washer
    Parts & Accessories
  • Pump
    Pressure Washer
    Pumps
  • Pump Parts and Accessories
    Pump
    Parts & Accessories
  • Engine Parts and Accessories
    Engine
    Parts & Accessories
  • A-iPOWER
  • ALL POWER
  • AMPLIFI
  • AR BLUE CLEAN
  • BAUER
  • BE
  • BLACK AND DECKER
  • BLACK MAX
  • BRIGGS AND STRATTON
  • BRUTE
  • CAMPBELL HAUSFELD
  • CAT
  • CHAMPION
  • CLEANFORCE
  • CLEANSHOT
  • COLEMAN POWERMATE
  • COMPANION
  • CRAFTSMAN
  • DELCO
  • DELTA
  • DEVILBISS
  • DEWALT
  • DIAMOND
  • DR POWER WASHER
  • DUROMAX
  • EARTHWISE
  • ECHO
  • EXCELL
  • FAIP
  • FORD
  • G-CLEAN
  • GENERAC
  • GRACO
  • GRAVELY
  • GREENPOWER
  • GREENWORKS
  • HARBOR FREIGHT
  • HERO
  • HOMELITE
  • HUSKY
  • HUSQVARNA
  • HYDROWORKS
  • HYUNDAI
  • JOHN DEERE
  • KARCHER
  • KODIAK
  • LIFAN
  • MAC ALLISTER
  • MAKINEX
  • MCCULLOCH
SEE ALL BRANDS
  • HOW-TO LIBRARY
  • SERVICE
  • FAQS
  • ABOUT US
  • NOZZLE CALCULATOR
Phone
PHONE
Customer Service:
888-279-9274
Repair Service:
877-218-0923
Clock
HOURS
(M-F PST)
Phone:
7:00 a.m. - 4:30 p.m.
Store:
7:00 a.m. - 5:00 p.m.
Location Pin
ADDRESS
2310 E 2nd St, Suite A
Vancouver, WA 98661
SHOP BY CATEGORY PARTS BY MODEL HOW-TO LIBRARY SERVICE FAQS ABOUT US NOZZLE CALCULATOR CONTACT US
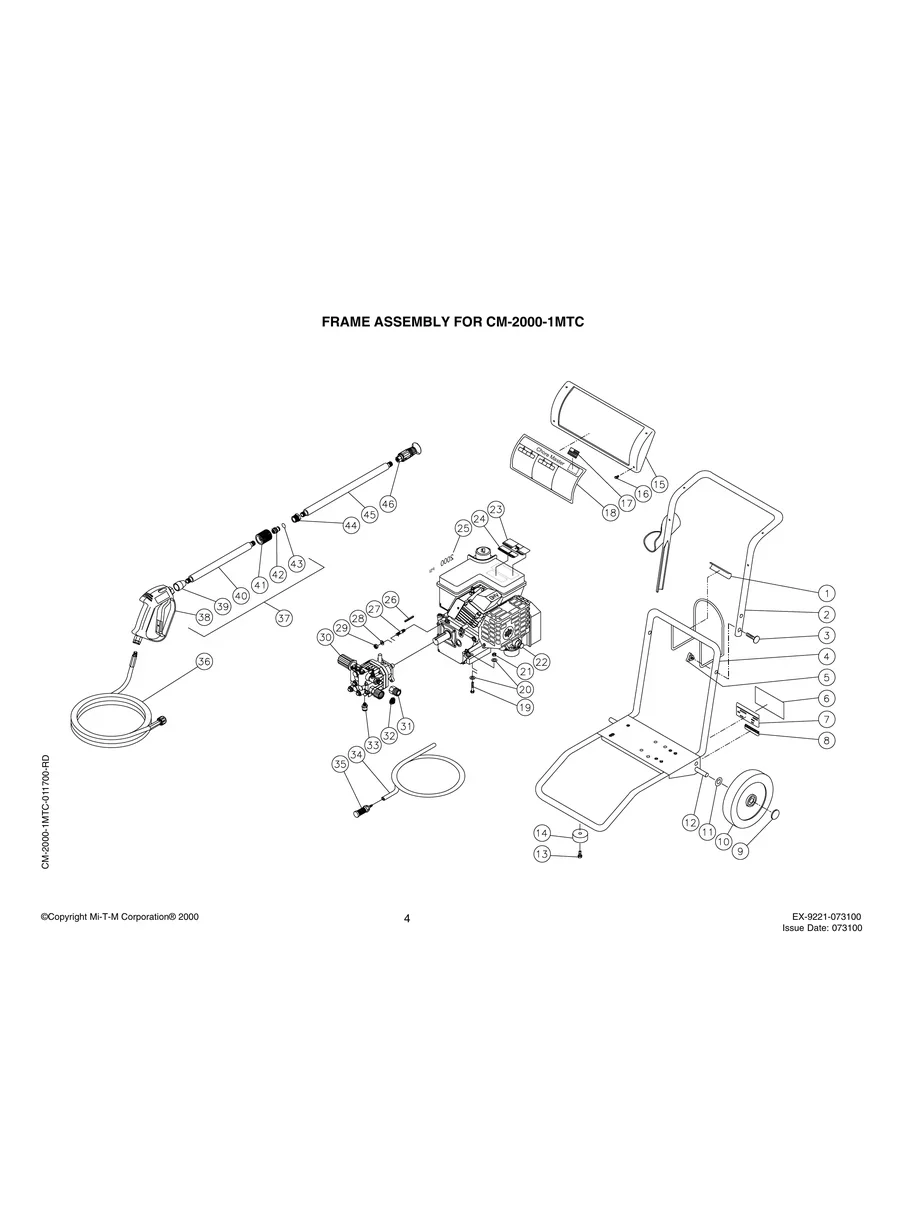
MI-T-M Pressure Washer Model CM-2000-1MTC Image

MI-T-M, CM-2000-1MTC
Pressure Washer Parts

Parts by Model » MI-T-M » CM-2000-1MTC
MI-T-M, CM-2000-1MTC, IPL.4
MI-T-M, CM-2000-1MTC, IPL.6
MI-T-M, CM-2000-1MTC, IPL.8

REPAIR PARTS

  • Placeholder

    O-RING KIT

    25-0291
    $13.60
  • TRIGGER GUN, 1/4"FPT X 22MM

    TRIGGER GUN, 1/4"FPT X 22MM

    16-0190
    $38.85
  • Gun

    Mi-T-M Extended Trigger Spray Gun

    851-0245
    $40.95
  • Hose

    Mi-T-M 19-0050 Detergent Strainer for Chemical Injector

    19-0050
    $12.95
  • Hose

    Mi-T-M 15-0021 Detergent Hose & Filter - Clear

    15-0021
    $12.95
  • Thermal Valve

    Mi-T-M 22-0208 Thermal Relief Valve

    22-0208
    $19.00
  • Filter

    Mi-T-M 19-0001 Inlet Washer Filter with Screen

    19-0001
    $2.99
  • Brass, Fitting

    MITM 22MM X 3/8"FPT Brass Adapter

    23-0279
    $9.40
  • Nut

    HEX NYLON LOCKNUT - ZINC 5/16-18

    30-0157
    $2.05
  • Spring

    Governor Spring for Generac Engines

    073100
    $12.17

REPAIR PARTS

  • Check Valve

    Mi-T-M Check Valve Kit For Work Pro Series

    70-0235
    $39.00
  • OIL SEAL

    OIL SEAL

    70-0001
    $51.45
  • Fitting

    Brass Garden Hose Adapter Fitting 3/4"

    23-0304
    $16.75
  • Placeholder

    INJECTOR PISTON

    46-0418
    $6.25
  • Jet

    46-0626 No Return Valve Kit - MiTM

    46-0626
    $28.35
  • MiTM 25-0334 | O-Ring 5 X 2MM for CM, CV Series

    MiTM 25-0334 | O-Ring 5 X 2MM for CM, CV Series

    25-0334
    $1.57
  • O-ring

    Mi-T-M 25-0343 O-Ring 8.73 X 1.78MM

    25-0343
    $2.05
  • O-ring

    O-RING, 12 X 2MM

    25-0335
    $2.29
  • 39-0065 Oil Drain Plug - MITM

    39-0065 Oil Drain Plug - MITM

    39-0065
    $11.55
  • 46-0748 Oil Vent Extension MiTM

    46-0748 Oil Vent Extension MiTM

    46-0748
    $19.95

No OEM replacement parts found

DOCUMENTS

Illustrated Parts List

  • MI-T-M, CM-2000-1MTC, IPL
HAVE A QUESTION?
(888) 279-9274
APW Logo
Since 1986, APW has specialized in all aspects of pressure washers. With over 80 years of combined industry knowledge and a fierce dedication to our customers, APW is ready to be your guide.
MORE INFORMATION
  • About
  • Service
  • Contact
  • Shipping
  • Returns
  • FAQ
STAY CONNECTED
Sign up for our newsletter to hear about our newest products, exclusive discounts, and maintenance tips!
Facebook Logo YouTube Logo Instagram Logo
Sitemap
© 2025 APW Inc.
Privacy Policy
APW Distributing, Inc BBB Business Review
APW-Inc
Manage Consent
To provide the best experiences, we use technologies like cookies to store and/or access device information. Consenting to these technologies will allow us to process data such as browsing behavior or unique IDs on this site. Not consenting or withdrawing consent, may adversely affect certain features and functions.
Functional Always active
The technical storage or access is strictly necessary for the legitimate purpose of enabling the use of a specific service explicitly requested by the subscriber or user, or for the sole purpose of carrying out the transmission of a communication over an electronic communications network.
Preferences
The technical storage or access is necessary for the legitimate purpose of storing preferences that are not requested by the subscriber or user.
Statistics
The technical storage or access that is used exclusively for statistical purposes. The technical storage or access that is used exclusively for anonymous statistical purposes. Without a subpoena, voluntary compliance on the part of your Internet Service Provider, or additional records from a third party, information stored or retrieved for this purpose alone cannot usually be used to identify you.
Marketing
The technical storage or access is required to create user profiles to send advertising, or to track the user on a website or across several websites for similar marketing purposes.
  • Manage options
  • Manage services
  • Manage {vendor_count} vendors
  • Read more about these purposes
View preferences
  • {title}
  • {title}
  • {title}