MI-T-M, DC-2503-A0E2G-W, IPL.4
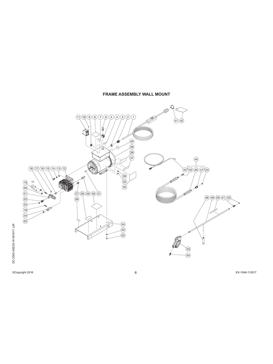
MI-T-M, DC-2503-A0E2G-W, IPL.6
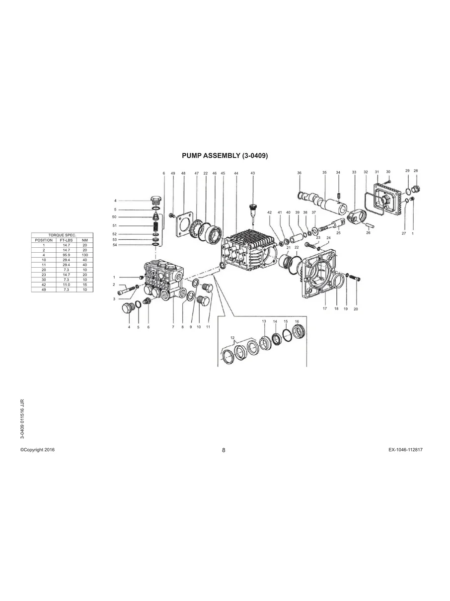
MI-T-M, DC-2503-A0E2G-W, IPL.8
MI-T-M, DC-2503-A0E2G-W, IPL.10
DOCUMENTS