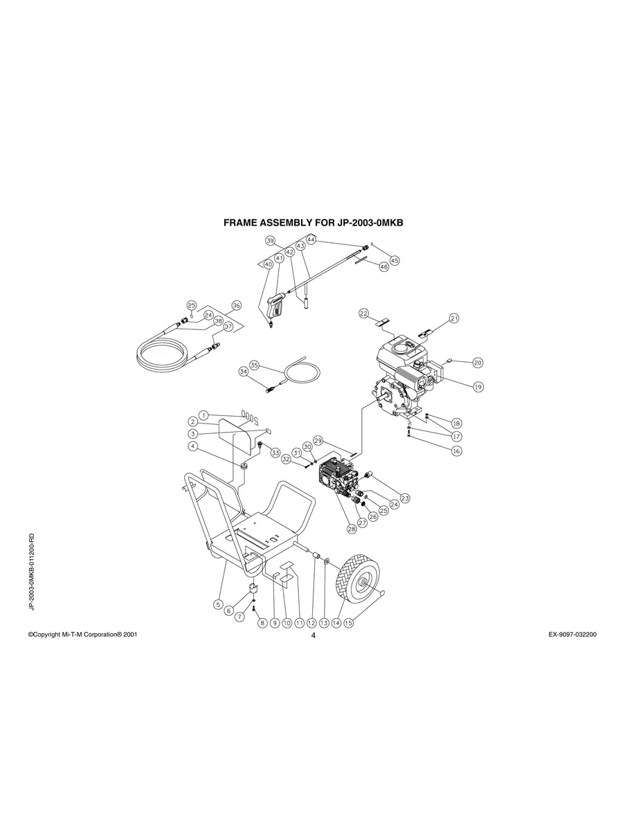
MI-T-M, JP-2003-0MKB, IPL.4
MI-T-M, JP-2003-0MKB, IPL.6
MI-T-M, JP-2003-0MKB, IPL.8
DOCUMENTS

Illustrated Parts List