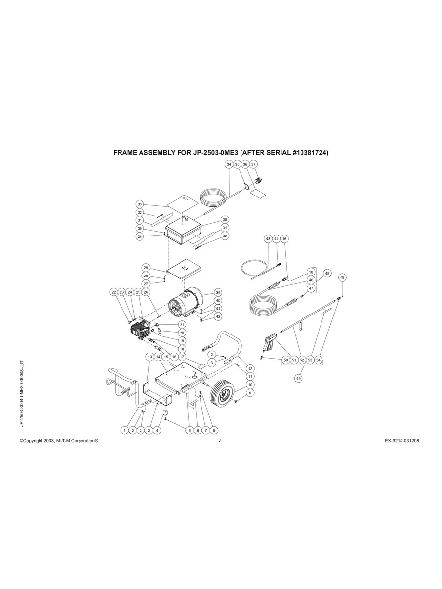
MI-T-M, JP-2503-0ME3, 10381724-99999999, IPL.4
MI-T-M, JP-2503-0ME3, 10381724-99999999, IPL.6
MI-T-M, JP-2503-0ME3, 10381724-99999999, IPL.8
MI-T-M, JP-2503-0ME3, 10381724-99999999, IPL.10
MI-T-M, JP-2503-0ME3, 10381724-99999999, IPL.12
DOCUMENTS