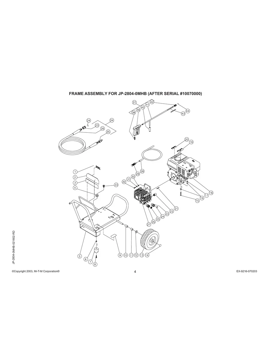
MI-T-M, JP-2804-0MHB, 10070000-99999999, IPL.4
MI-T-M, JP-2804-0MHB, 10070000-99999999, IPL.6
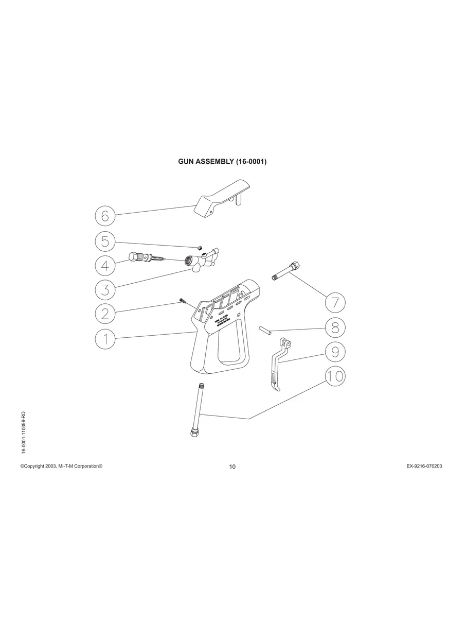
MI-T-M, JP-2804-0MHB, 10070000-99999999, IPL.8
MI-T-M, JP-2804-0MHB, 10070000-99999999, IPL.10
DOCUMENTS