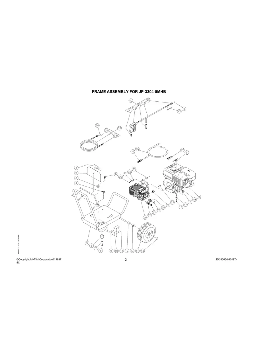
MI-T-M, JP-3304-0MHB, IPL.2
MI-T-M, JP-3304-0MHB, IPL.4
MI-T-M, JP-3304-0MHB, IPL.6
MI-T-M, JP-3304-0MHB, IPL.7
DOCUMENTS

Illustrated Parts List