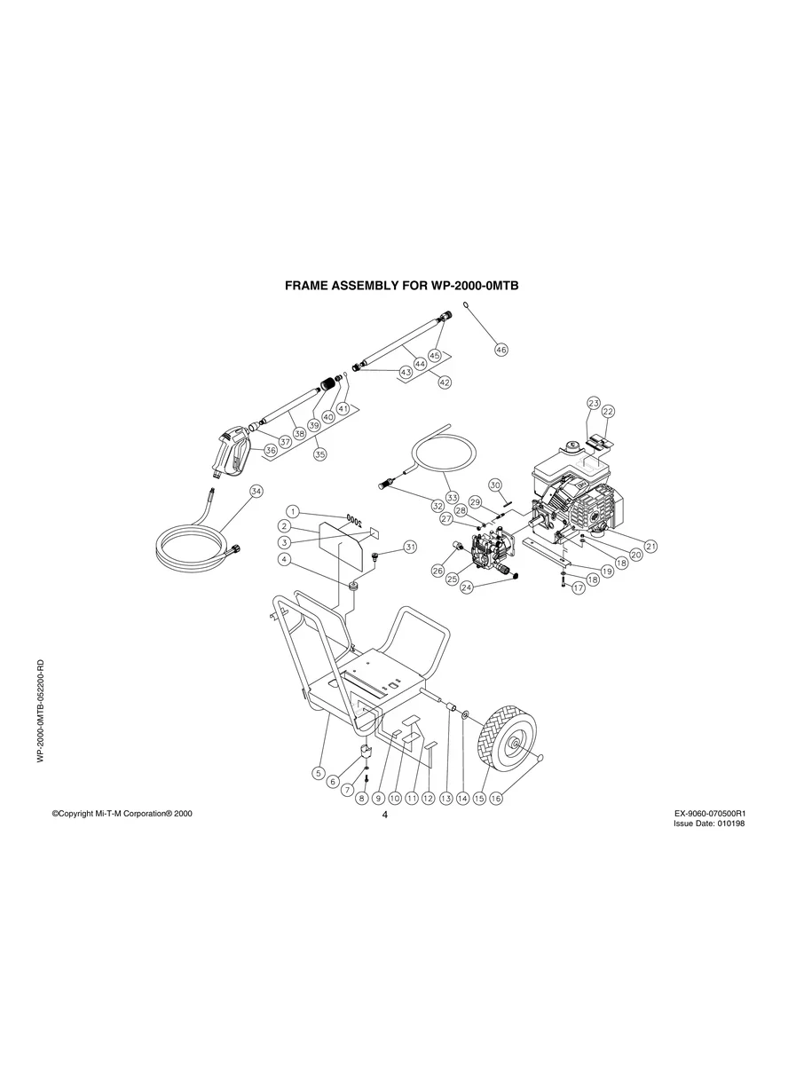
MI-T-M, WP-2000-0MTB, IPL.4
MI-T-M, WP-2000-0MTB, IPL.6
MI-T-M, WP-2000-0MTB, IPL.8
DOCUMENTS

Illustrated Parts List

Owners Manual