Pressure Washer
Parts & Accessories
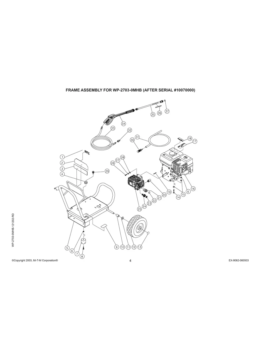
REPAIR PARTS
No OEM replacement parts found
No OEM replacement parts found
No OEM replacement parts found
TECHNICAL SPECIFICATIONS
DOCUMENTS
| Color | Color Black | Max GPM | Max GPM 3 GPM |
| Direction | Direction Reverse Facing | Max PSI | Max PSI 2700 PSI |
| Drive Type | Drive Type Direct | Nozzle Count | Nozzle Count 1 |
| Frame Orientation | Frame Orientation Horizontal | Nozzle Orifice Size | Nozzle Orifice Size 3 |
| Frame Type | Frame Type Cart | Nozzle Type | Nozzle Type Quick Connect |
| Gun Inlet | Gun Inlet 0" QC Plug | Power Source | Power Source Gasoline |
| Hose Inlet | Hose Inlet 0" QC Plug | Pressure Washer Type | Pressure Washer Type Cold Water |
| Hose Material | Hose Material Rubber | Pump Orientation | Pump Orientation Horizontal |
| Hose Outlet | Hose Outlet 0" QC Socket | Shaft Type | Shaft Type Hollow Shaft |