PORTLAND, 63254, IPL.1
TECHNICAL SPECIFICATIONS
DOCUMENTS
Product Specifications and Attributes
Color Color Green Nozzle Type Nozzle Type Variable
Frame Orientation Frame Orientation Vertical Power Source Power Source Electric
Gun Outlet Gun Outlet 0 mm Pressure Washer Type Pressure Washer Type Cold Water
Nozzle Orifice Size Nozzle Orifice Size 2 Wand Inlet Wand Inlet 0 mm

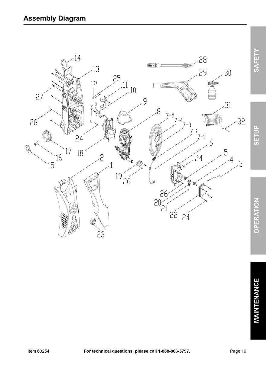
Illustrated Parts List

Owners Manual