WELCOME TO THE NEW APW-INC.COM NEW PARTS ADDED DAILY FREE SHIPPING ON ORDERS OVER $119
0

No products in the cart.

APW-Inc
  • SHOP BY CATEGORY
  • PARTS BY MODEL
  • RESOURCES
  • CONTACT US
  • Pressure Washer Parts and Accessories
    Pressure Washer
    Parts & Accessories
  • Pump
    Pressure Washer
    Pumps
  • Pump Parts and Accessories
    Pump
    Parts & Accessories
  • Engine Parts and Accessories
    Engine
    Parts & Accessories
  • A-iPOWER
  • ALL POWER
  • AMPLIFI
  • AR BLUE CLEAN
  • BAUER
  • BE
  • BLACK AND DECKER
  • BLACK MAX
  • BRIGGS AND STRATTON
  • BRUTE
  • CAMPBELL HAUSFELD
  • CAT
  • CHAMPION
  • CLEANFORCE
  • CLEANSHOT
  • COLEMAN POWERMATE
  • COMPANION
  • CRAFTSMAN
  • DELCO
  • DELTA
  • DEVILBISS
  • DEWALT
  • DIAMOND
  • DR POWER WASHER
  • DUROMAX
  • EARTHWISE
  • ECHO
  • EXCELL
  • FAIP
  • FORD
  • G-CLEAN
  • GENERAC
  • GRACO
  • GRAVELY
  • GREENPOWER
  • GREENWORKS
  • HARBOR FREIGHT
  • HERO
  • HOMELITE
  • HUSKY
  • HUSQVARNA
  • HYDROWORKS
  • HYUNDAI
  • JOHN DEERE
  • KARCHER
  • KODIAK
  • LIFAN
  • MAC ALLISTER
  • MAKINEX
  • MCCULLOCH
SEE ALL BRANDS
  • HOW-TO LIBRARY
  • SERVICE
  • FAQS
  • ABOUT US
  • NOZZLE CALCULATOR
Phone
PHONE
Customer Service:
888-279-9274
Repair Service:
877-218-0923
Clock
HOURS
(M-F PST)
Phone:
7:00 a.m. - 4:30 p.m.
Store:
7:00 a.m. - 5:00 p.m.
Location Pin
ADDRESS
2310 E 2nd St, Suite A
Vancouver, WA 98661
SHOP BY CATEGORY PARTS BY MODEL HOW-TO LIBRARY SERVICE FAQS ABOUT US NOZZLE CALCULATOR CONTACT US
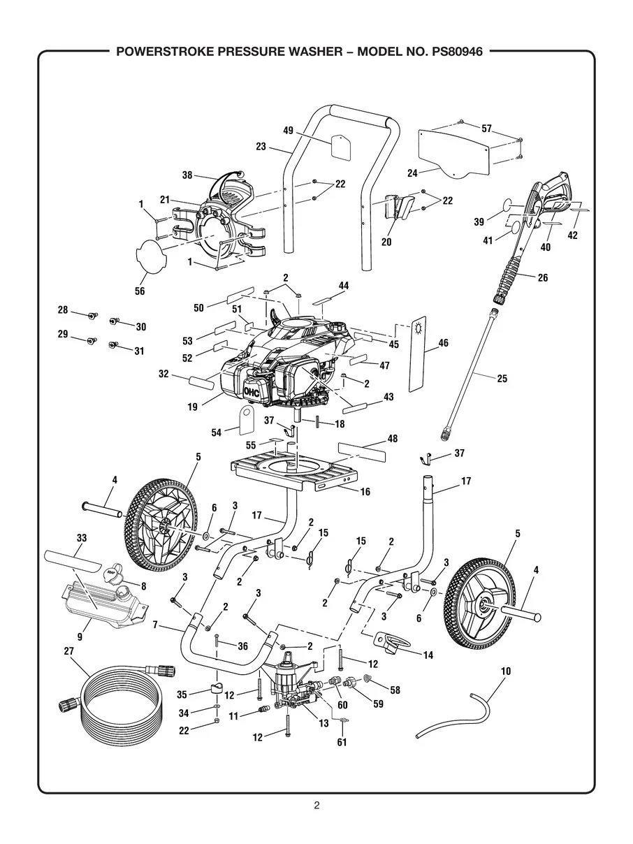
PS80946 by POWERSTROKE - Pressure Washer Equipment Image

POWERSTROKE, PS80946
Pressure Washer Parts

Parts by Model » POWERSTROKE » PS80946
POWERSTROKE, PS80946, IPL.2

REPAIR PARTS

  • LOCK BUTTON W/SPRING

    LOCK BUTTON W/SPRING

    308421004
    $8.35
  • Injector

    Homelite 308452002 Pressure Washer Detergent Injector Kit

    308452002
    $15.00
  • Wand

    Homelite Replacement Wand 308506006

    308506006
    $22.95
  • Filter

    Homelite Pressure Washer Filter Screen 308662001

    308662001
    $2.95
  • 25 Degree, Nozzle, Quick Connect

    Homelite 25 Degree QC Pressure Washer Nozzle

    308699012
    $9.95
  • 40 Degree, Nozzle, Quick Connect

    Ryobi Homelite 40 Degree Pressure Washer Nozzle 029

    308700012
    $9.95
  • Nozzle, Quick Connect

    SOAP NOZZLE BLUE

    308706011
    $9.40
  • Gun

    Homelite 308760009 Pressure Washer Spray Gun

    308760009
    $31.95
  • Hose

    308835006, Homelite Replacement Hose

    308835006
    $25.95
  • Fitting, Inlet

    Homelite 308861003 Pressure Washer Inlet Tube

    308861003
    $16.75
  • Outlet

    Homelite/Ryobi 308862003 Outlet Tube

    308862003
    $10.45
  • Tank Cap

    310650004 Pressure Washer Soap Tank Cap - Homelite

    310650004
    $5.20
  • Frame Parts

    WAND HOLDER

    519313002
    $6.25
  • 570554002 Rubber Wear Pad for Homelite / Ryobi

    570554002 Rubber Wear Pad for Homelite / Ryobi

    570554002
    $5.20
  • Pin

    AXLE

    620599007
    $6.25
  • Washer

    638128004 Washer for Homelite/Ridgid RD80746

    638128004
    $1.56
  • Bolt

    BOLT WASHER HEX M8X50

    660962001
    $3.13
  • Screw

    Homelite 661501001 | Torx Head Screw 1/4-20 x 1.85"

    661501001
    $1.56
  • Nut

    Homelite/Ryobi 678016006 | Nylon Locking Nut 1/4 - 20

    678016006
    $1.56
  • Shaft key

    SHAFT KEY 3/4" - 7/8"

    678041006
    $3.41
  • Thermal Valve

    THERMAL VALVE 1/4 - ALUMINUM

    678169004
    $16.75
  • LOCK NUT - M8 X 1.25MM

    LOCK NUT - M8 X 1.25MM

    678774002
    $3.13
  • Pin

    Axle Retaining Pin - 678899001 for Homelite Power Washers

    678899001
    $3.95
DOCUMENTS

Illustrated Parts List

  • POWERSTROKE, PS80946, IPL

Owners Manual

  • POWERSTROKE, PS80946, MNL
HAVE A QUESTION?
(888) 279-9274
APW Logo
Since 1986, APW has specialized in all aspects of pressure washers. With over 80 years of combined industry knowledge and a fierce dedication to our customers, APW is ready to be your guide.
MORE INFORMATION
  • About
  • Service
  • Contact
  • Shipping
  • Returns
  • FAQ
STAY CONNECTED
Sign up for our newsletter to hear about our newest products, exclusive discounts, and maintenance tips!
Facebook Logo YouTube Logo Instagram Logo
Sitemap
© 2025 APW Inc.
Privacy Policy
APW Distributing, Inc BBB Business Review
APW-Inc
Manage Consent
To provide the best experiences, we use technologies like cookies to store and/or access device information. Consenting to these technologies will allow us to process data such as browsing behavior or unique IDs on this site. Not consenting or withdrawing consent, may adversely affect certain features and functions.
Functional Always active
The technical storage or access is strictly necessary for the legitimate purpose of enabling the use of a specific service explicitly requested by the subscriber or user, or for the sole purpose of carrying out the transmission of a communication over an electronic communications network.
Preferences
The technical storage or access is necessary for the legitimate purpose of storing preferences that are not requested by the subscriber or user.
Statistics
The technical storage or access that is used exclusively for statistical purposes. The technical storage or access that is used exclusively for anonymous statistical purposes. Without a subpoena, voluntary compliance on the part of your Internet Service Provider, or additional records from a third party, information stored or retrieved for this purpose alone cannot usually be used to identify you.
Marketing
The technical storage or access is required to create user profiles to send advertising, or to track the user on a website or across several websites for similar marketing purposes.
  • Manage options
  • Manage services
  • Manage {vendor_count} vendors
  • Read more about these purposes
View preferences
  • {title}
  • {title}
  • {title}