Pressure Washer
Parts & Accessories
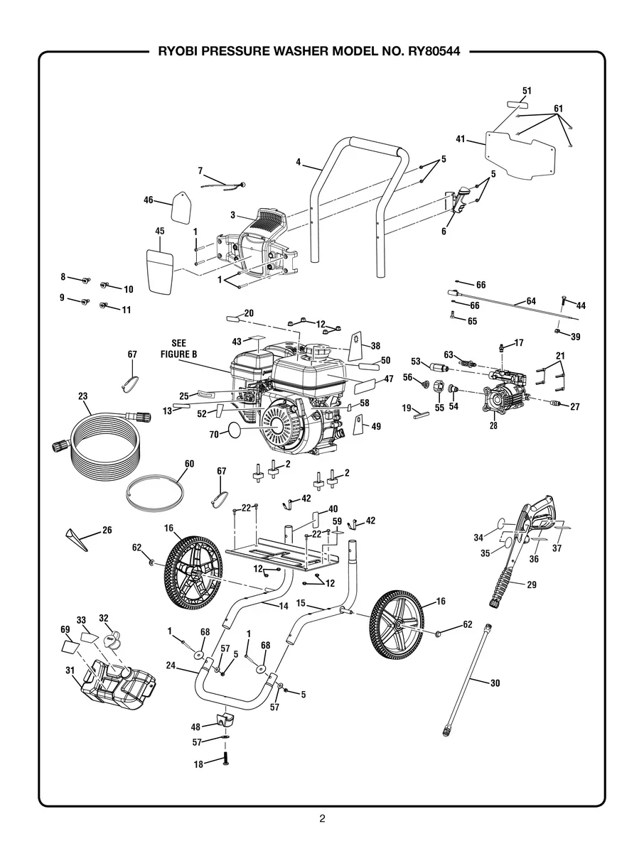
REPAIR PARTS
No OEM replacement parts found
TECHNICAL SPECIFICATIONS
DOCUMENTS
| Color | Color Black | Max PSI | Max PSI 2800 PSI |
| Direction | Direction Reverse Facing | Nozzle Count | Nozzle Count 5 |
| Drive Type | Drive Type Direct | Nozzle Orifice Size | Nozzle Orifice Size 3 |
| Frame Orientation | Frame Orientation Horizontal | Nozzle Type | Nozzle Type Quick Connect |
| Frame Type | Frame Type Cart | Power Source | Power Source Gasoline |
| Gun Inlet | Gun Inlet 22 mm 14 M | Pressure Washer Type | Pressure Washer Type Cold Water |
| Gun Outlet | Gun Outlet 22 mm 14 F | Pump Orientation | Pump Orientation Horizontal |
| Hose Inlet | Hose Inlet 22 mm 14 F | Pump Shaft Diameter | Pump Shaft Diameter 1" |
| Hose Length | Hose Length 25' | Shaft Type | Shaft Type Hollow Shaft |
| Hose Material | Hose Material Thermoplastic | Wand Inlet | Wand Inlet 22 mm 14 M |
| Hose Outlet | Hose Outlet 22 mm 14 F | Wand Length | Wand Length 20" |