SIMPSON, M60601, 60601-S, IPL.2
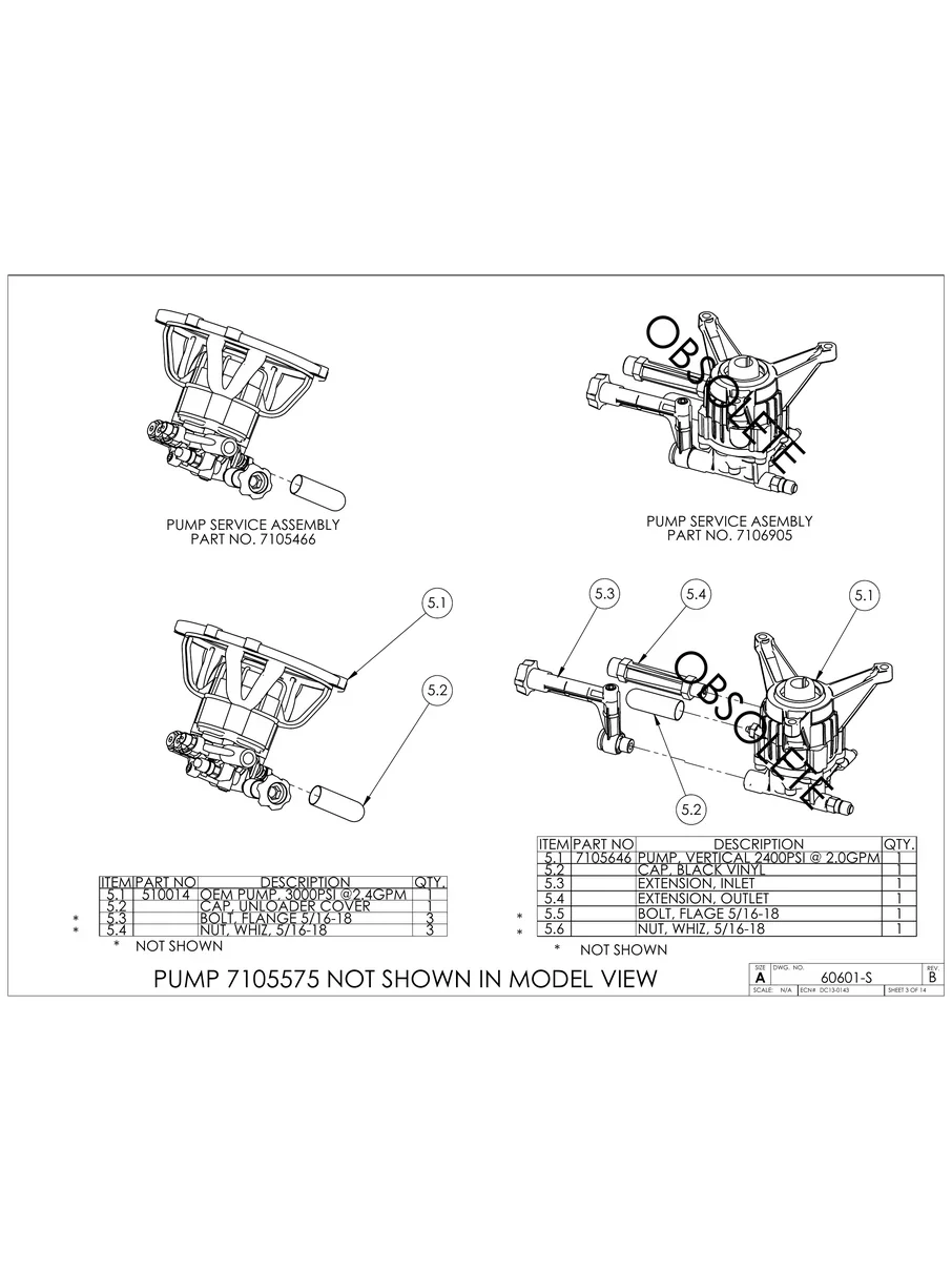
SIMPSON, M60601, 60601-S, IPL.3
SIMPSON, M60601, 60601-S, IPL.4
DOCUMENTS

Illustrated Parts List