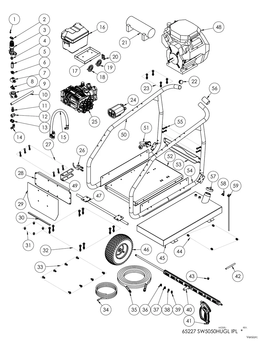
DOCUMENTS

Illustrated Parts List